科技公司人事管理系统设计与实现 软件开发全流程解析
在线控制系统软件开发 关键技术、流程与实践
新能源时代浪潮下 中小企业如何把握电机及控制系统研发新机遇
安川电机MP2300运动控制器 核心控制系统详解与资源全览
酒店洗碗机采购指南 报价解析与永逸品牌优势及软件开发趋势
现代电机控制技术与软件开发 从理论到实践的融合之路
伺服电机及其控制系统的研发 精准驱动的技术核心
逆境中淬炼 从电机及其控制系统研发看上海制造业的韧性升级
罗克韦尔自动化智能分布式电机控制系统(IDM)选型与软件开发指南
基于PLC的梳棉机步进电机控制系统研发与实现
专业必读 《电机及其传动系统》——原理、控制、建模与仿真一体化指南
基于单片机的直流电动机控制系统设计与研发
直流减速电机、行星减速电机与科亚设备 电机及其控制系统研发综述
德州仪器物联网专题 工业电机控制系统的智能化演进——嵌入式处理技术赋能高效研发
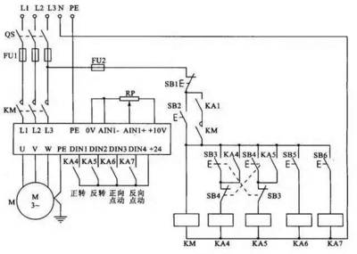
自动控制原理图 软件开发的智能化引擎
音圈电机位置伺服控制系统的研究与实现
两相直流伺服电动机使用注意事项详解
新型高速电机原理及关键问题研究与软件开发策略
回转马达、行走马达与液压控制系统核心讲解
蔚来究竟有没有核心技术?深度解析XPT蔚来驱动科技与软件实力
如若转载,请注明出处:http://www.yudiping.com/product/list-2.html